| Sign In | Join Free | My chinaqualitycrafts.com |
|
Brand Name : ATERWELL
Model Number : EEVF1KC681GP
Certification : Original Factory Pack
Place of Origin : Japan
MOQ : 500pcs
Price : Negotiation
Payment Terms : T/T , Western Union, Paypal
Supply Ability : 100000PCS
Delivery Time : 1 Day
Packaging Details : please ask for details 500pcs/reel
Package : 500pcs/reel
Main Line : Ic,module,transistor,diodes,capacitor,resistor etc
Size : 10*10.2mm
Mold : 680uF 16V
Shipment : DHL, Fedex, TNT, EMS, UPS etc
Voltge : 6.3V to 100V
680UF 16V Monolithic Ceramic Capacitor SMD CAP EEVF1KC681GP Vibration Proof
EEVF1KC681GP 680UF 16V Aluminum Electrolytic Capacitors
Surface Mount Type
Series: FK Type: V
■ Features
● Endurance: 2000 h to 5000 h at 105 °C
● RoHS directive compliant S
● Low impedance (40 % to 60 % less than FC series) Miniaturized (30 % to 50 % less than FC series)
● Vibration-proof product is available upon request. (φ8 mm and larger)
Marking

| j | 6.3V |
| A | 10V |
| C | 16V |
| E | 25V |
| V | 35V |
| H | 50V |
| J | 63V |
| K | 80V |
| 2A | 100V |
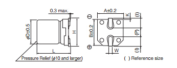
Di men sions in mm (not to scale) Unit:mm

| Size code | D | L | A,B | H | I | W | P | K |
| B | 4.0 | 5.8±0.3 | 4.3 | 5.5 max. | 1.8 | 0.65±0.1 | 1.0 | 0.35 +1.5 - 0.2 |
| C | 5.0 | 5.8±0.3 | 5.3 | 6.5 max. | 2.2 | 0.65±0.1 | 1.5 | 0.35 +1.5 - 0.2 |
| D | 6.3 | 5.8±0.3 | 6.6 | 7.8 max. | 2.6 | 0.65±0.1 | 1.8 | 0.35 +1.5 - 0.2 |
| D8 | 6.3 | 7.7±0.3 | 6.6 | 7.8 max. | 2.6 | 0.65±0.1 | 1.8 | 0.35 +1.5 - 0.2 |
| E | 8.0 | 6.2±0.3 | 8.3 | 9.5 max. | 3.4 | 0.65±0.1 | 2.2 | 0.35 +1.5 - 0.2 |
| F | 8.0 | 10.2±0.3 | 8.3 | 10.0 max. | 3.4 | 0.90±0.2 | 3.1 | 0.70±0.2 |
| G | 10.0 | 10.2±0.3 | 10.3 | 12.0 max. | 3.5 | 0.90±0.2 | 4.6 | 0.70±0.2 |
| H13 | 12.5 | 13.5±0.5 | 13.5 | 15.0max. | 4.7 | 0.90±0.3 | 4.4 | 0.70±0.3 |
| J16 | 16.0 | 16.5±0.5 | 17.0 | 19.0 max. | 5.5 | 1.20±0.3 | 6.7 | 0.70±0.3 |
| K16 | 18.0 | 16.5±0.5 | 19.0 | 21.0 max. | 5.7 | 1.20±0.3 | 6.7 | 0.70±0.3 |






|
|
680UF 16V Monolithic Ceramic Capacitor SMD CAP EEVF1KC681GP Vibration Proof Images |